欢迎访问湖南特通风机有限公司网站!
中文
ENGLISH
网站首页
关于我们
公司简介
企业文化
企业荣誉
厂房车间
新闻中心
公司新闻
行业资讯
公司公告
产品中心
加入我们
人才理念
招聘信息
在线留言
联系方式
最新消息:
湖南特通风机有限公司网站开通! 2017-12-10
湖南特通风机有限公司网站开通! 2017-12-10
您的位置:
首页
->
产品中心
产品中心
+ CBF(BAF、BZF51)系列防爆轴流风机
+ BFAG(BFS)系列防爆排风扇
+ FB(BTS)系列防爆摇头扇
+ T35-11、BT35-11系列低噪声(防爆)轴流通风机
+ FT35-11、FBT35-11系列低噪声防腐(防爆)轴流通风机
+ WEX系列边墙式(防爆)轴流通风机
+ XBDZ(DFBZ)系列新型低噪声方型壁式(防爆)轴流风机
+ (B)DWT-I、II、III型(防爆)低噪声屋顶风机
+ RTC新型(防爆)屋顶排风机(铝制)
+ 4-72、B4-72、F4-72系列(防爆)离心通风机
+ (B)9-19、(B)9-26系列(防爆)高压离心式通风机
+ DZ系列节能低噪声轴流通风机
+ BHF-1(BLDMF)防爆防雷电动球型风帽
+ CF-11系列多翼式低噪声离心通风机
+ DF-11系列多翼鼓风机
+ 11-62型E式多翼低噪声离心式通风机
+ FDL电控柜专用风机
+ GFDD干式变压器用横流冷却风机
+ DBF系列低噪声变压器风扇
+ SJG系列管道斜流风机
+ SWF系列低压噪声混流式通风机
+ HTF系列高温消防排烟专用风机
+ HL3-2A、PYHL-14A(HTFL-14A)系列混流式高温排烟风机
+ HLF-6系列低噪音、节能型混流式风机箱
+ HTC-A、B消防通风(两用)低噪声柜式离心风机
+ JB系列负压风机
+ BLK52(BLK8050)系列防爆(防腐)断路器(IIB、IIC、DIP)
+ BQD53(BQD8050)系列防爆(防腐)电磁起动器(IIB、IIC、DIP)
+ BXQ系列防爆动力配电箱(电磁起动)(IIB、IIC、DIP)
+ BDN58系列防爆电热油汀空调箱(IIB)
+ BAS51系列防爆吊扇
+ SF系列(防爆)低噪声轴流风机
+ G系列(防爆)变频电机专用冷却风机
+ (B)CTF(SFT)系列(防爆)手提式安全轴流式通风机
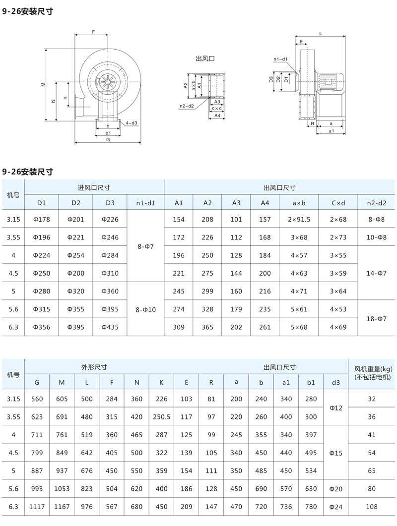
产品名称:(B)9-19、(B)9-26系列(防爆)高压离心式通风机
0
关键字:
上一篇:
4-72、B4-72、F4-72系列(防爆)离心通风机
下一篇:
CF-11系列多翼式低噪声离心通风机
产品描述
发表产品留言
姓名
Email
内容
验证码
Copyright © 2017 湖南特通风机有限公司 版权所有
浙ICP备19034552号
ALL RIGHT RESERVED
台州易搜网络提供技术支持