Welcome to Zhejiang Yibei Fan Manufacturing Co., Ltd!
中文
ENGLISH
Home
About Yibei
About Us
Culture
Honor
Workshop
News Center
Company News
Industry News
Notice
Products
Join Us
Talent Idea
Job Position
Feedback
Contact Us
Notice:
You are here:
Home
->
Products
Products Center
+ CBF (BAF, BZF51) series of explosion-proof axial fan
+ BFAG (BFS) series of explosion-proof exhaust fan
+ FB (BTS) series of flameproof head fan
+ BAS51 series of explosion-proof ceiling fans
+ T35-11 and BT35-11 series of low noise (explosion-proof) axial fan
+ SF series (explosion-proof) low noise axial fan
+ WEX series side wall (explosion-proof) axial fan
+ XBDZ (DFBZ) series square type wall type (explosion-proof) axial fan
+ G Series (explosion-proof) Special cooling fan for converter motor
+ (B) CTF (SFT) series (explosion-proof) portable safety axial fan
+ YWF (FZY-D) series of low noise external rotor axial fan
+ (B) DWT-I, II, III type (explosion-proof) low noise roof fan
+ RTC new roof air exhausting machine (aluminum)
+ BHF-1 (BLDMF) explosion-proof electric lightning ball cap
+ 4-72, B4-72, F4-72 series (explosion-proof) centrifugal fan
+ (B) 9-19, (B) 9-26 series (explosion-proof) high pressure centrifugal fan
+ CF-11 series multi wing low noise centrifugal fan
+ DF-11 series of multi wing blower
+ 11-62 type E multi wing and low noise centrifugal fan
+ FDL cabinet dedicated fan
+ Cross flow cooling fan for GFDD dry type transformer
+ DBF series of low noise transformer fans
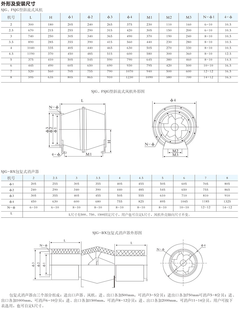
+ SJG series pipe slanting fan
+ SWF series low pressure noise mixed flow fan
+ HTF series of high temperature fire fighting and smoke exhausting fans
+ HL3-2A, PYHL-14A (HTFL-14A) series mixed flow high temperature smoke exhausting fan
+ HLF-6 series of low noise and energy saving type mixed flow fan box
+ HTC-A, B fire-fighting and ventilating (dual use) low noise cabinet centrifugal fan
+ JM series negative pressure fan
Products Name:SJG series pipe slanting fan
0
Tag:
Prev:
DBF series of low noise transformer fans
Next:
SWF series low pressure noise mixed flow fan
Detail
Message
Name
Email
Content
Code
Copyright © 2017 Zhejiang Yibei Fan Manufacturing Co., Ltd.
浙ICP备19034552号
ALL RIGHT RESERVED
Designed by tzyisou.com